聯系我們
企業地址:天津市西青經濟技術開發區賽達國際工業城A3-2
企業郵箱:apastj@163.com
聯系電話:022-87887696
企業傳真:請聯系管理員
企業郵編:300385
咨詢熱線:13622125499(24小時服務)
企業郵箱:apastj@163.com
聯系電話:022-87887696
企業傳真:請聯系管理員
企業郵編:300385
咨詢熱線:13622125499(24小時服務)
2060工業鋁型材CAD三維模型下載
艾普斯 丨 2018.10.03 丨 4584
|
||||
| 2060工業鋁型材CAD三維模型 | ||||
|
|
||||
|
工程師可以下載2060工業鋁型材CAD三維模型用于工業框架如:電氣操作臺、工具掛板等工業框架的構想與快速實現,2060工業鋁型材是一款輕型框架結型材; |
||||
|
|
||||
|
||||
|
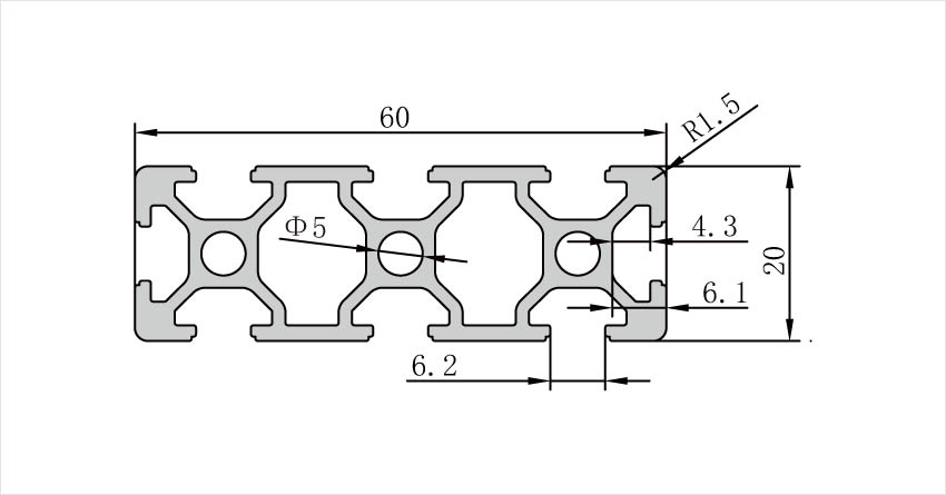
(2060工業鋁型材二維參數)
|
||||
|
規格型號
|
材質
|
單位重量
|
慣性矩
|
慣性矩
|
彎矩
|
彎矩
|
訂貨編號
|
|
Profile
|
Material
|
Weight
|
Ix(cm4)
|
Iy(cm4)
|
Wx(cm3)
|
Wy(cm3)
|
Order NO.
|
|
20×60
|
鋁AL(6063-T5)
|
1.47kg/m
|
2.34
|
19.32
|
2.34
|
6.44
|
APAS-P6-2060
|
| 2060工業鋁型材主要應用于輕型框架結構的設計組裝,如:3D打印機框架、車間電氣操作臺、工具掛板等,具有較強的承載能力;2060工業鋁型材槽寬:6mm,需要搭配20系列專用連接配件進行快速連接; |




